logo
Zhejiang Xinna Medical Device Technology Co., Ltd.

Hidrofóbico EPTFE Microporous Membrana 0,22/0,45/1,2/3μm Com PP ou PET camada de suporte para uso médico

Detalhes do produto:
Lugar de origem: China
Marca: No
Certificação: ISO9001
Número do modelo: XN-PTFE
Condições de Pagamento e Envio:
Quantidade de ordem mínima: 600 medidores quadrados
Preço: $45 - $80 per square meter
Detalhes da embalagem: Rolo que empacota ou que empacota padrão da caixa da exportação
Tempo de entrega: 15 a 30 dias
Termos de pagamento: L/C, T/T
  • Informação detalhada
  • Descrição de produto

Informação detalhada

Nome do produto: Membrana de ePTFE para ventilação de dispositivos médicos Materiais: Eletrocarburos de potássio
Tamanho dos poros: 0.22μm, 0.45μm, 1.0μm, personalizável Largura: 10 mm a 200 mm no máximo
Wettability: Hidrofóbicos Taxa de fluxo: 300 a 3000 ml/cm2/min
Resistência química: Excelente. Eficiência da filtragem: até 99%
Destacar:

Uso médico Membrana microporousa

,

Membrana microporosa hidrofóbica

,

Membrana de microporo de PP

Descrição de produto

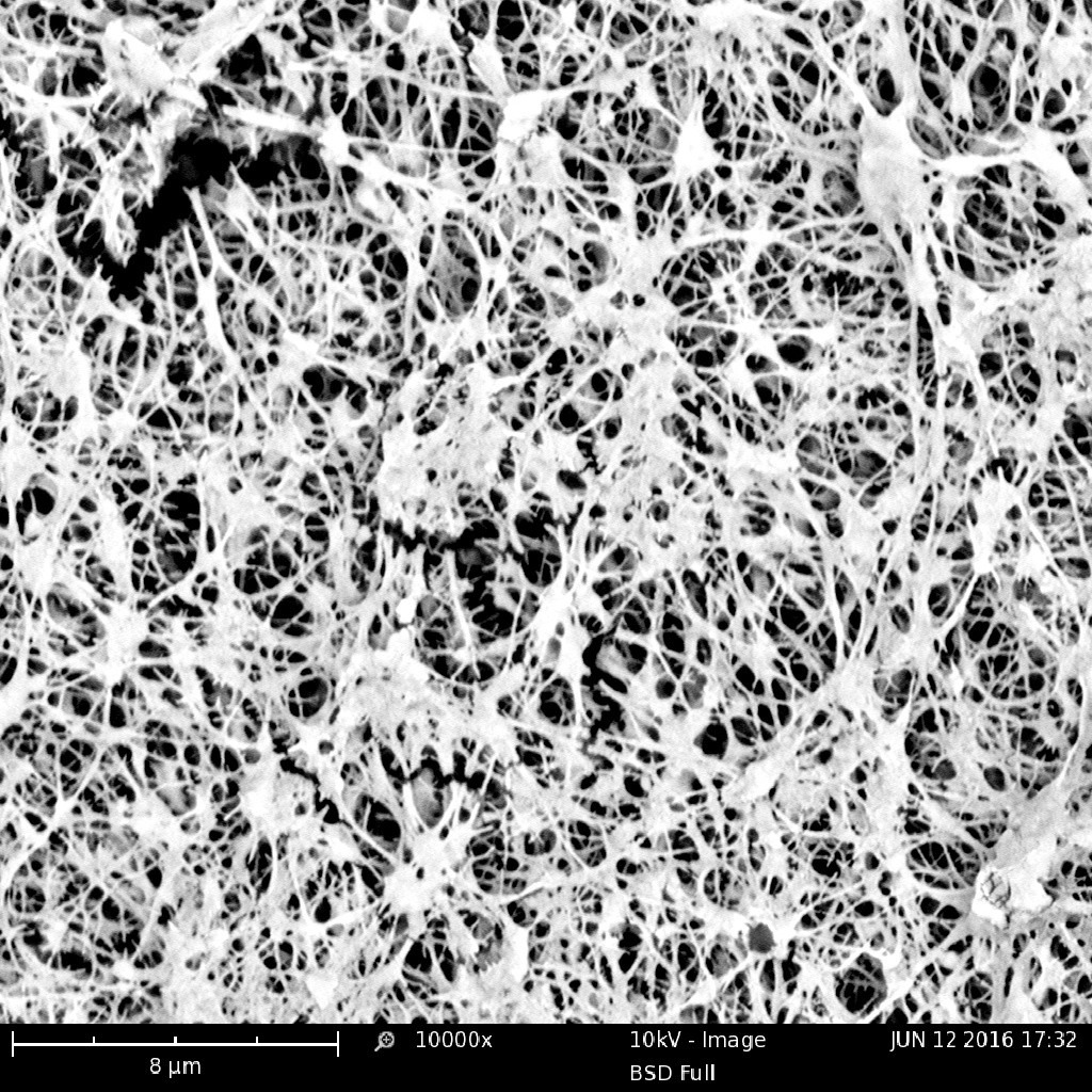
O XINNA ePTFE (membrana de politetrafluoroetileno) possui inerentemente hidrofobidade e transpirabilidade.É amplamente utilizado em várias aplicações para componentes médicos e outros componentes industriais, tais como Vents, TP, e mais.

 

O XINNA ePTFE é fabricado através de um processo de laminação térmica com materiais não tecidos, é livre de ligações e não contém substâncias solúveis, com excelente resistência à descascagem e resistência estável.Métodos de montagem múltiplos, tais como adesivos traseiros, a soldagem por termite, a soldagem por ultrassom e a soldagem de alta frequência são permitidas.

 

Também desenvolvemos materiais não tecidos com maior compatibilidade para garantir a resistência à soldagem entre os diversos plásticos complexos de abertura e a membrana.Xinna pode melhorar ainda mais a membrana ePTFE para ter propriedades oleofóbicas adicionais, evitando eficazmente a impregnação de líquidos com baixa tensão superficial, tais como álcoois e lipídios, garantindo a respirabilidade estável da membrana.

 

A nossa membrana de PTFE desempenha um papel importante no sub-campo médico. Pode ser utilizada como membrana de ventilação para dispositivos de perfusão, instalada no filtro de precisão ou ventilação do dispositivo de perfusão,assegurar uma operação suaveAo utilizar membranas de PTFE, podemos melhorar a eficiência e a qualidade dos dispositivos de perfusão, proporcionando melhores serviços médicos aos pacientes.

 

Hidrofóbico EPTFE Microporous Membrana 0,22/0,45/1,2/3μm Com PP ou PET camada de suporte para uso médico 0

 

 

Especificações

 

PTFE com PP ou PET 0.22 μm 0.45 μm 1.0 μm
Fluxo (de ar) (L/min/cm2) 4.5 7.5 17
Ponto de bolha > 14,1 psi > 8,5 psi > 4,3 psi
Espessura 130 μm 120 μm 90 μm
Temperatura de operação -40 a 135°C -40 a 135°C -40 a 135°C

 

 

Características das membranas de PTFE expandidas (ETFE)

  • Hidrofóbicos
  • Material de suporte de polipropileno ou PET para aumentar a resistência
  • Alto caudal de ar
  • Resistência à alta pressão
  • Alta resistência mecânica
  • Resistente a temperaturas até 130°C
  • Resistente à maioria dos ácidos, álcalis e solventes agressivos
  • Consistência da qualidade entre lotes

 

Aplicações

As membranas de ePTFE oferecem uma série de benefícios no que se refere à filtragem de gases e líquidos.e características hidrofóbicas tornam-nas ideais para utilização em ambientes exigentesNas indústrias biotecnológica e farmacêutica, as membranas ePTFE desempenham um papel crucial na filtragem de ácidos fortes e soluções agressivas utilizadas na produção de medicamentos ou outros produtos químicos.

  • Filtração geral/estéril
  • Filtragem especial de solventes corrosivos.
  • Terapia por perfusão
  • Filtração farmacêutica
  • Isolamento bacteriano
  • Preparação de amostras por HPLC
  • Manuseio de amostras de aerossóis
  • Ventilação de ar e filtragem de gases

Hidrofóbico EPTFE Microporous Membrana 0,22/0,45/1,2/3μm Com PP ou PET camada de suporte para uso médico 1

 

 

Entre em contato conosco

Incorpore sua mensagem

Você pode estar nesses